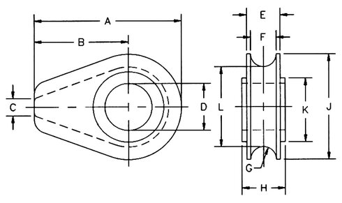
Gjutna kaus S-412

Utförande: Ökat skydd mot slitage och deformation av linögat ger längre livslängd.
Passar stift för öppet stållineuttag, hängande bomgaffel och killås.

Visa mer

Part code:

Utförande: Ökat skydd mot slitage och deformation av linögat ger längre livslängd.
Passar stift för öppet stållineuttag, hängande bomgaffel och killås.

  • Material: Stål
  • Märkning: Tillverkarens symbol
  • Ytbehandling: Finns i varmförzinkat eller rostfritt stål.